BETONELEMENTER
KONSOLBJÆLKER – LB, LBB, LBE OG LBBE
Lav konsolbjælke anvendes i forbindelse med huldæk i etagebyggeri, hvor en lavere etagehøjde kan opnås. Bjælken giver kun et nedstik på 80 eller 120 mm fra dækundersiden og er dermed nem at føre installationer under.
Bjælken designes enten som en kontinuert bjælke efter gerberdrage princippet eller en simpelt understøttet bjælke. Med sin brede krop er bjælken egnet til at føre hen over eksempelvis søjler og sætte næste søjle ovenpå.
Typisk finder LBE-bjælkerne anvendelse i kontor- og boligbyggeri.
Lave konsolbjælker produceres og kontrolleres i henhold til DS/EN 13225 og leveres CE-mærkede. Se mere under certifikater.
Elementgeometri
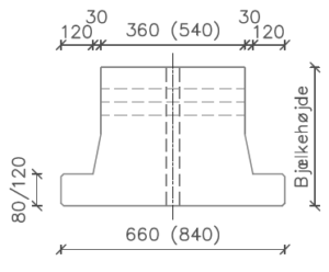
Den lave konsolbjælke er en bjælke med gennemgående konsoller på bjælkesiderne. Bjælker med konsol på begge sider kaldes LB-bjælker, og bjælker med konsol på kun én side kaldes LBE-bjælker.
Bjælkerne findes i standardudgaver, som passer til 220, 270, 320 og 400 mm dæk.
Hovedmål
Bjælkerne produceres med følgende tværsnit:
LB (LBB):
LBE (LBBE):
Bjælkerne produceres med en konsolhøjde på 80 og 120 mm afhængig af belastningen på bjælken.
Bjælkerne producers med følgende højder:
| Konsolhøjde | Bjælkehøjde | |
|---|---|---|
| LB, LBB, LBE og LBBE | 80 mm | 300 mm 350 mm 400 mm 480 mm |
| LB, LBB, LBE og LBBE | 120 mm | 340 mm 390 mm 440 mm 520 mm |
Bjælkens længde tilpasses de aktuelle projekter. LBE-bjælken kan udføres som gerberdrage bjælke såvel som simpelt understøttet. Kapaciteten eftervises projekt specifikt.
Affasning
Produceres som standard i vandrette forme med 10 x 10 mm affasning på undersiden og ved konsol.
Udsparinger
Der kan ikke laves udsparinger i denne type bjælke. Der kan dog laves udklinkning ved bjælkeenderne.
Indstøbningsdele
Løft
I bjælker indstøbes 2 stk. wireløft som standard, hvor det vurderes at løftesystemet er anvendeligt.
Forankring mellem søjle/bjælke/dæk
Til forankring mellem søjler og bjælker anvendes som standard et ø50 korrugeret rør for dornhul.
Til forankring mellem bjælker og dæk indstøbes vandrette ø50 PVC-rør eller inserts gennem kroppen for fugearmering.
Andre indstøbningsdele
Andre indstøbningsdele så som udragende armering i oversiden til sammenstøbning med dækkets overbeton, specialbeslag, svejseplader, ankerskinner, inserts, afstivningsinserts, etc. kan tilkøbes efter aftale.
SAMLINGER OG DETALJER
DOWNLOAD SAMLINGSDETALJER
Du kan downloade vores samlingsdetaljer af bjælker som dwg- og pdf-filer her.
Projektering og beregning
Forudsætninger
Generelt
Deklarerede værdier for materialer og egenskaber vedr. konsolbjælker fremgår af Declaration of Properties (DoP). Download gældende udgave her.
Kontrolklasse
Bjælkerne produceres som standard i skærpet kontrolklasse.
Miljøklasse
Bjælkerne produceres som standard i passiv miljøklasse. Kan også produceres til anvendelse i moderat efter aftale. Til byggeri, hvor enderne er synlige eller miljøklassen kræver det, kan bjælkerne efter aftale leveres med forseglede endeflader mod beregning.
Overflader
Elementernes overflader laves i henhold til bips A24. Underside udføres standard som en BO42. Formsider og formenderne udføres standard som en BO41. Oversiden udføres standard som en BO43.
Betonstyrker
Bjælkerne produceres som standard i styrkeklasse 45.
Tolerancer
Elementerne overholder gældende tolerancer, der kan ses her.
Armering
Bjælkerne udføres med forspændt hovedarmering og bøjler i kamstål.
INFORMATION
ARMERING
Du kan finde data for både slapt armering og spændarmering her.
Bæreevne
Forspændte LBE-bjælker eftervises sagsspecifikt med en statisk beregning, som specificerer beton- og stålkvaliteter, armeringsmængde og -udformning.
LBE-bjælkernes konsol er dimensioneret til en maksimal last på 55 kN/m og kan ikke tage punktlaster.
Beregningen indeholder minimum nedenstående punkter.
Bæreevnetabeller
LB, LBB, LBE og LBBE-bjælker
- Forudsætning for bæreevnetabel spændbeton LB, LBE, LBB og LBBE – simpelt understøttet
- LB 66-12
- LBB 84-12
- LB 66-8
- LBB 84-8
- LBE 50-12
- LBBE 66-12
- LBE 50-8
- LBBE 66-8
Regningsmæssigt last
Den regningsmæssige momentbæreevne Mud og regningsmæssige forskydningskapacitet, Vud eftervises at være større end det regningsmæssige belastning inkl. bjælkens egenvægtsmoment
Revnelast
Revnemomentet Mk er den anbefalede maksimale værdi for den karakteristiske belastning (sjælden last) inkl. bjælkens egenvægtsmoment. Det er forudsætningen for, at bjælken kan regnes revnefri i deformationsberegningerne. Alternativt skal det sikres, at der er tryk over hele tværsnittet ved hyppig last.
Balancelast
Balancemomentet Mbal er momentet, hvor tværsnittet på bjælkemidten har jævnt tryk over hele tværsnittet og dermed minimale langtidsdeformationer. Som følge af forskellen i momentkurven for forspænding og belastning kan det opnåede Mbal ved normal last overskrides med ca. 50%, før der opstår større deformationer i bjælken.
Svind og krybning under lagerperioden giver en mindre forøgelse af pilhøjden. Dette udgør ca. 10%, hvorfor der kan tillades en samlet overskridelse af balancemomentet på ca. 60%.
Derfor anbefales det, at momentet fra den kvasi permanente last ikke overskrider Mbal multipliceret med 1,6.
Vederlag
Der skal under projektering af vederlag tages hensyn til betonens svind og krybning, f.eks. ved at indlægge glideleje i den ene ende. Endvidere skal der tages hensyn til ændringer af pilhøjden og den dermed følgende vinkeldrejning ved vederlaget. Ved lejetryk over ca. 10 – 12 MPa skal vederlagsforhold vurderes og der skal evt. udføres særlige foranstaltninger. Dette kan aftales med vores teknikere.
Pilhøjde
Deformationer og pilhøjder beregnes med de sædvanlige elasticitetsteoretiske formler. Der regnes med urevnet tværsnit, hvorfor det skal sikres, at den karakteristiske revnekapacitet ikke er overskredet. Ellers vil deformationer blive væsentlig større end beregnet.
De beregnede deformationer baseres på de projektspecifikke lasttilfælde, ækvivaleret til en jævn fordelt last. Da dimensionsgivende lasttilfælde oftest overstiger de aktuelt forkomne laster, vil nedbøjninger typisk være mindre end de beregnede. Hvilket betyder, pilhøjden kan få en større slutværdi end beregnet.
Pilhøjdeberegningerne er vejledende, baseret på ca. 14 dages lagring. De endelige pilhøjder vil variere som følge af lagringsbetingelser, modenhed mm. Som hovedregel +/- 50 %, dog min +/- 10 mm, i forhold til angivne værdier.
Specielt ved lange bjælker med relativ ringe højde bør leveringspilhøjden tages i betragtning ved projekteringen. Ved udformning af tilstødende konstruktioner kan det på tilsvarende vis være nødvendigt at tage hensyn til bjælkernes nedbøjning forårsaget af belastningerne. Her bør en vurdering af den samlede konstruktion (evt. med sammenstøbning med dækfuger) danne grundlaget.
Brand
Der foretages en projektspecifik brandeftervisning af bjælkerne, hvis det er krævet i projektet.
Normalt vil LBE-bjælker med konsolhøjde 80 mm kunne dimensioneres til at overholde REI 60 A2 og med konsolhøjde 120 mm REI 120 A2.

