BETONELEMENTER
LETBETONVÆGGE
Væggenes ensartede overflade giver god bund for de fleste overfladebehandlinger. Naturmaterialer kan dog indeholde små rester af f.eks. kul, som kan give mindre udtræk på overfladen.
Det er let at fastgøre både lette og tunge emner. Væggene leveres monteringsklare fra fabrik med udsparinger, indstøbte el-rør og el-dåser, trådbindere, ankerskinner m.v. – helt efter ønske.
Vores letbetonvægge fremstilles i følgende betontyper:
- Letbeton LAC 6 / 1350
- Letbeton LAC 10/1850
- Letbeton LAC 15/1850
- Letbeton LAC 10/2000
Tallene angiver hhv. trykstyrke (MPa) og middeldensitet (kg/m³). LAC er forkortelse for Lightweight Aggregate Concrete. Betontypen vælges i det enkelte tilfælde efter de statiske, bygningsfysiske og eventuelle overflademæssige krav.
Elementgeometri
Elementudformning
Letbetonvæggene produceres efter ordre og leveres færdige i skræddersyede udformninger:
- Formhøjde letbeton maks. 3050 mm
- Elementlængde op til 10000 mm afhængigt af betontype og tykkelse
- Individuelt placerede dør- og vinduesåbninger
- Væggene opdeles under hensyntagen til produktions- og transporttekniske forhold. Ved opdeling tilstræbes rumstore elementer.
Måltolerancer for det enkelte vægelement
Find alle vores tolerancer her. Måltolerancer kontrolleres ud fra mål på tegning – se mere på http://www.tolerancer.dk fra Dansk Byggeri.
Armering
Med henblik på transport og svind forsynes væggene med netarmering, forstærkninger og løftekroge. På baggrund af de statiske beregninger udføres væggene uarmerede eller som statisk armerede.
Indstøbningsdele
Murbindere
Hvor murbindere er foreskrevet i bagmure, indstøbes ø4 mm rustfaste bindere. Murbinderne placeres således:
- 6 stk. normalbindere pr. m²
- Ekstra bindere (c/c 300 mm) ved døre, vinduer og murafslutninger
- Lodret afstand mellem binderrækker jf. modulafstand (267/200 mm)
El-indstøbninger
Letbetonvægge kan leveres med indstøbte rør og dåser til el-installationer.
Læs mere om projektering af el.
VVS
Letbetonvægge kan leveres med udsparinger for VVS. Der anvendes standardudsparinger, der passer til almindeligt forekommende installationsmateriel.
Se mere om projektering af VVS.
Ventilation
EXPAN Vægge kan leveres med udsparinger for ventilationsrør. Der anvendes standardudsparinger, der passer til almindeligt forekommende runde ventilationsrør.
Se mere om projektering af ventilationsudsparinger.
Dørudsparinger
Udsparinger for indvendige døre udføres i standardiserede breddemål.
Se mere om projektering af udsparingsbredder.
Øvrige indstøbningsdele
Letbetonvægge kan leveres med supplerende indstøbningsdele som inserts, strittere, ankerskinner, udragende bøjler, ekstra armering, vederlagsplader og stigbøjler.
Overflader
SAMLINGER OG DETALJER
DOWNLOAD SAMLINGSDETALJER
Bygningsfysik
Lyd
Vægelementernes lydisoleringsevne afhænger primært af væggens vægt pr. m2 og kvaliteten af fugeudstøbning og understopning samt de tilstødende konstruktioners egenskaber over for lydisolering. Der henvises til SBI anvisning 237 og Betonelement-Foreningens Bulletin 1, ”Lydisolation for tungt byggeri af beton- og letbetonelementer”.
Byggeri med andre materialekonstruktioner eller lydkrav end de viste kan projekteres med udgangspunkt i beregningsstandarden DS/EN 12354 og med assistance fra bygningsakustiske specialister.
Produktdata
Normgrundlag
| Letbeton (LAC) | LAC 6/1350 | LAC 10/1850 | LAC 15/1850 | LAC 10/2000 |
|---|---|---|---|---|
| Produktstandard | DS/EN 1520 | DS/EN 1520 | DS/EN 1520 | DS/EN 1520 |
| Miljøklasser | Passiv | Passiv | Passiv | Passiv |
| Eksponeringsklasse efter DS/EN 206 | X0, XC1 | X0, XC1 | X0, XC1 | X0, XC1 |
Dimension
| Letbeton (LAC) | LAC 6/1350 | LAC 10/1850 | LAC 15/1850 | LAC 10/2000 |
|---|---|---|---|---|
| Tykkelser (mm) | 100 120 150 | 180 200 240 | 100 120 150 | 220 |
Elementhøjde: Maks. formmål: 3050 mm
Elementlængde: Maks. 7500 mm, afhængig af tykkelse og type
Overfladekarakteristik
| Letbeton (LAC) | LAC 6/1350 | LAC 10/1850 | LAC 15/1850 | LAC 10/2000 |
|---|---|---|---|---|
| Vægge af letbeton | Grov/åben | Finkornet | Finkornet | Grov/åben |
| Fritstående kanter og false | Har en mere åben struktur end øvrige overflader | Har en mere åben struktur end øvrige overflader | Har en mere åben struktur end øvrige overflader | Har en mere åben struktur end øvrige overflader |
Karakteristike materialeparametre
| Letbeton (LAC) | LAC 6/1350 | LAC 10/1850 | LAC 15/1850 | LAC 10/2000 |
|---|---|---|---|---|
| Trykstyrke (MPa) * | - | 10 | 15 | 10 |
| Bøjningstrækstyrke MPa) * | - | 2,25 | 2,5 | 2,25 |
| Densitet, middel (kg/m³) * | 1350 | 1850 | 1850 | 2000 |
* Deklareret
** Fastsat på baggrund af normer og standarder
Fugt
| Letbeton (LAC) | LAC 6/1350 | LAC 10/1850 | LAC 15/1850 | LAC 10/2000 |
|---|---|---|---|---|
| Maks. ved levering (% vægt) | 20 | 12 | 12 | 12 |
Varme
| Letbeton (LAC) | LAC 6/1350 | LAC 10/1850 | LAC 15/1850 | LAC 10/2000 |
|---|---|---|---|---|
| Varmeledningsevne λ10dry(50%) (W/mK)** | 0,46 | 0,81 | 0,81 | 0,96 |
Murbindere
| Letbeton (LAC) | LAC 6/1350 | LAC 10/1850 | LAC 15/1850 | LAC 10/2000 |
|---|---|---|---|---|
| Last v/ 0,5 mm deformation (kN/stk) | 0,25 | 0,25 | 0,25 | 0,25 |
| Forankringsstyrke (kN/stk) | 0,88 | 0,88 | 0,88 | 0,88 |
Dimensionsstabilitet
| Letbeton (LAC) | LAC 6/1350 | LAC 10/1850 | LAC 15/1850 | LAC 10/2000 |
|---|---|---|---|---|
| Svind, promille ** | 1,20 | 1,08 | 0,90 | 1,08 |
** Fastsat på baggrund af normer og standarder
Statik
Geometriske forhold
Efter DS/EN 1520 må forholdet mellem væghøjde og vægtykkelse højst være 38 for lodret bærende uarmerede vægge.
Excentricitet
Ved bæreevnebestemmelse skal der tages hensyn til excentricitet som følge af geometriske forhold og af den resulterende lasts angrebspunkt på væggen.
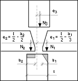
Excentricitetsberegning
Resulterende excentricitet foroven i væggen:
e0 = (e1 x N1÷e2 x N2+e3 x N3) / (N1+N2+N3) +e4
Resulterende excentricitet i væggens øverste tredjedelspunkt:
et = 2/3 x e0+e5+e6
Dobbelt etagekryds
Enkelt etagekryds
Tagrem
Hvor:
e1 og e2 = ugunstigste kombination af dækvederlag og reaktioner (N1>N2)
e3 = vandret forskydning + placeringstolerance (0 mm)
e4 = excentricitet fra indspændinger (0 mm)
e5 = afvigelse fra plan form (5 mm)
e6 = excentricitet fra tværpåvirkning (M/N)
Dimensionering af vægge
Lodret bæreevne
Bæreevne af uarmerede vægge bestemmes for lodret last som søjlebæreevne på baggrund af den trykkede del af tværsnittet.
SøjleberegningRegningsmæssig søjlebæreevne Rsd bestemmes af:
Rsd = ts x ks x fcd x b
Hvor
ts = trykket tværsnit = td – 2 x et
ks = søjlefaktor = 1 / ( 1+12 x fcd / E / Pi x (Ls / ts)²)
fcd = regningsmæssig trykstyrke
b = tværsnittets effektive længde
Og hvor:
td = regningsmæssig søjletykkelse
et = resulterende excentricitet
Ls = søjlelængde (væghøjde)
Bøjning med normalkraft
Ved dimensionering af uarmerede vægge i lastkombinationer med lodret last og vandret vindlast kan bøjningstrækstyrken for letbetonen tages i regning.
Tværsnittet spændingsbestemmes efter:
trykspænding = k x Md / W + Nd / A < fcd
trækspænding = k x Md / W – Nd / A < ftd
Hvor:
Nd = regningsmæssig normallast
Md = regningsmæssigt moment = Nd x et
A = regningsmæssigt tværsnit = td x b
W = modstandsmomentet = 1/6 x b x td²
k = momentforøgelsesfaktor = Ncr / (Ncr – Nd)
fcd = regningsmæssig trykspænding
ftd = regningsmæssig bøjningstrækspænding
Og hvor igen:
et = resulterende excentricitet bestemt som ovenfor angivet
td = regningsmæssig vægtykkelse
b = tværsnittets effektive længde
Ncr = kritisk normallast bestemt som Rsd med e sat lig ecr
ecr = kritisk excentricitet = max af 5 mm og Ls / 500
Ls = søjlelængde (væghøjde)
Vandret last
Vægge uden lodret last, udfyldningsvægge, kan dimensioneres efter principperne i DS/INF 168:2008 afsnit 4, der svarer til brudlinieteorien.
Dimensionering af overliggere og bjælker
Overliggere og bjælker
I bjælkeelementer udstøbt i letbeton indbygges en trillingarmering, en svejst stige-armering. Bæreevnen eftervises i henhold til DS/EN 1520. De kan udføres som indbyggede bjælker, udstøbt samtidig med det øvrige element, eller som løse bjælker, der indbygges i elementsættet under montage på byggepladsen.
Bjælke i letbeton med trillingarmering (TA)
Vederlagsbæreevne
Det skal sikres, at lasten kan overføres til vederlaget, uden der opstår brud som følge af koncentreret last og/eller spaltekræfter. Letbetonens træk- og forskydningsstyrke kan ved undersøgelsen sættes til halvdelen af bøjningstrækstyrken. Koncentrerede belastninger kan fordeles over et større areal ved indbygning af lejeplader af stål.
Afskalningsbrud
Bæreevnen kontrolleres ved bestemmelse af forskydningsspændingen:
Tau = 2/5 x Qd / (d x t) < 1/2 x ftd
hvor ftd er den regningsmæssige bøjningstrækspænding.
Afskalningsbrud
Partielle forstærkninger
Uarmeret letbeton kan partielt udstøbes i armeret beton, hvilket typisk anvendes i søjler og bjælker. Partiel udstøbning muliggør optagelse af lokalt koncentrerede belastninger uden at overdimensionere væggen i øvrigt. Letbetonvægge kan tillige udføres med indstøbte søjler og bjælker af stål, som altid omstøbes med beton.
Yderligere vejledning
Dimensionering af letbetonvægge kan foretages ved anvendelse af beregningsanvisninger fra Letbetonelementgruppen – BEFs hæfte 2.
Stabilitetsbæreevne
Bemærk!
For at kunne anvende skemaerne må der ikke være huller i elementet
Letbetonelementer med pap under elementet
Forudsætningerne fremgår af skemaerne.
Den anvendte friktionskoefficient forudsætter, at der anvendes pap af typen PF2000.
Letbetonelementer uden pap under elementet
Forudsætningerne fremgår af skemaerne.




